微门户|
无障碍阅读|
收藏主页|
网站首页
机构设置
政府信息公开
服务大厅
发改工作
重大项目
政策法规
经济运行分析
欢迎访问方城县发展和改革委员会!
机构设置
>
政府信息公开
>
服务大厅
>
发改工作
>
重大项目
>
政策法规
>
经济运行分析
>
公示公告
18-02-26
河南省深化简政放权放管结
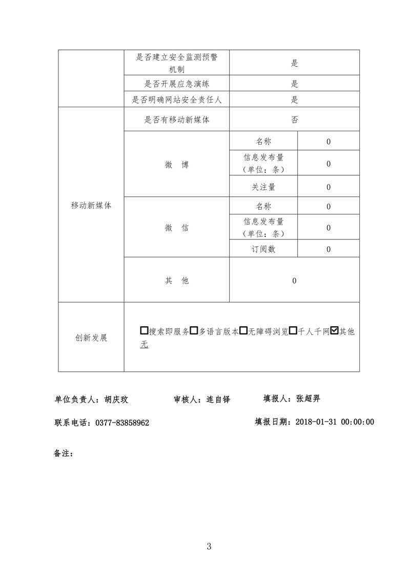
18-01-31
政府网站工作年度报表
18-01-10
河南省发展和改革委员会关
17-11-17
关于进一步简化政府投资项
17-05-17
南阳市脱贫攻坚工作问责办
17-04-15
县人大视察2016年重点项目
17-03-30
县稽察办检查独树光伏电站
政府网站工作年度报表
所在位置:
首页
>
公示公告
政府网站工作年度报表
时间:2018-01-31 16:53:05 作者: 来源:方城县发展和改革委员会
上一篇:
河南省深化简政放权放管结合优化服务改革网络意见征集活动即日启动
下一篇:
河南省发展和改革委员会关于贯彻落实《招标公告和公示信息发布管理办法》的通知
网站链接:
国务院部门网站
外交部
发展改革委
教育部
科技部
工业和信息化部
国家民委
公安部
监察部
民政部
司法部
财政部
人社保障部
国土资源部
环境保护部
住建部
交通运输部
水利部
农业部
商务部
文化部
卫生计生委
人民银行
审计署
国资委
海关总署
工商总局
税务总局
质监总局
环保总局
民航总局
新闻出版广电总局
体育总局
安全监管总局
统计局
林业局
食品药品监管局
知识产权局
旅游局
国家宗教事务局
参事室
国管局
侨办
地方政府网站
北京市
上海市
天津市
重庆市
江苏省
广东省
浙江省
安徽省
海南省
四川省
贵州省
黑龙江
云南省
陕西省
甘肃省
河南省
湖北省
吉林省
辽宁省
山西省
湖南省
青海省
新疆
广西
香港
澳门
河北省
福建省
江西省
山东省
西藏
宁夏
内蒙古
南阳县区政府
高新区
官庄工区
鸭河工区
卧龙区
宛城区
邓州市
新野县
社旗县
唐河县
桐柏县
南召县
镇平县
内乡县
西峡县
淅川县
南阳直属单位
发改委
教育局
科技局
工信委
民宗委
公安局
监察局
国土资源局
民政局
司法局
财政局
人社局
环保局
交通局
安全监管局
水利局
农业局
林业局
商务局
卫计委
审计局
文广新局
畜牧局
粮食局
体育局
统计局
旅游局
规划局
国资委
食品药品监管局
城市管理局
质监局
工商局
住建委
法制办
人防办
地震局
行政服务中心
公积金管理中心
资源交易中心
供销社
农科院
农机局
移民局
物价办
房产管理中心
公路管理局
知识产权局
盐业局
新闻媒体
中国经济网
中国新闻网
中华网
搜狐新闻网
网易新闻
yahoo新闻
新浪新闻
千龙新闻
央视国际
中青在线
人民网
新华网
环球网
南阳网
南阳日报
南阳电视台
南阳信息港
南阳摄影网
关闭